This tutorial explains the following:
- How to set up the schematic file for a new design
- How to place components on the schematic
- How to edit parameter values on the components
- How to run the SystemDesigner simulations
Starting a New Design
To start a new design, follow these steps.
- From the Schematic Editor menu bar, select File | New.
- From the menu bar, select File | Save and type a file name in the Save
As... window. This tutorial uses myExample as the file name.
- From the Schematic Editor menu bar, select SystemDesigner | Edit SystemDesigner
Clocks....
- At the prompt to load the default properties, click Yes

Result: After you click Yes, the default
properties are written to the schematic file, and then the Edit SystemDesigner Clocks dialog appears.
- Set the SysClk label and frequency as shown below.
|
Column
|
Value
|
|
Label |
2Meg |
|
Frequency (Hz) |
2Meg |
The default settings in the other columns are valid.
- To save your clock information, click OK.
or
To view a
simulation of the clocks, click Close and Graph Clocks. Result: A simulation including only the global clocks executes, and two
cycles of the lowest clock frequency appear on the graph viewer.
Note: You can return to the Edit SystemDesigner Clocks dialog to add or remove clocks; however, if you remove a clock, you must edit
any SystemDesigner components that previously used that clock. In the future, an audit system will
prevent you from simulating a design where a previously defined clock was used on a
SystemDesigner
component.
For more information about setting up clocks, see SystemDesigner Clocks.
Adding Components to the Schematic
You can use the Parts Selector on the right side of the Schematic editor to place allSystemDesigner components. If the Parts Selector pane is hidden, click the blue Show Parts
Selector link in the upper-right corner of the schematic.
All SystemDesigner components are in the SystemDesigner Functions (max. 32 bit) section of the
selection tree as shown below:
You have a choice of ways to select components to place on the schematic:
- Double click a part in the selection tree.
or
- With a part selected in the Parts Selector, click the hyperlink between the
selection tree and the symbol preview.
or
- To place multiple instances of the same component, right click on a part in the
selection tree and select the second item in the drop-down menu: <part name>
(repeat).
After you select a part, move your cursor onto the schematic and then click where you
want to place that component.
To place parts for this tutorial example, follow these steps.
- From the A to D / D to A section of the SystemDesigner Functions (max. 32
bit), select and place SystemDesigner - A to D Converter.
- To place a waveform generator, type the keyboard shortcut, W with your cursor
on the schematic, and then click to place the component.
- From the Commonly Used Parts section of the Parts Selector:
- Select and add AC Source (for AC Analysis).
- Select and add Ground.
Result: At this
stage, the schematic should have three components and a ground
symbol.
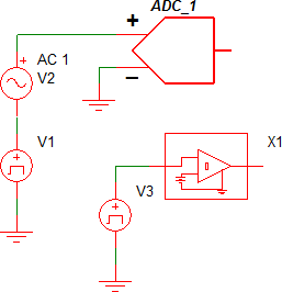
- Wire the waveform generator, AC source, and ground to the ADC as shown below with
the green lines.
- To enable simulation of the design with the SIMPLIS POP and AC analyses, follow
these steps to place a POP trigger and a square wave source that drives the POP
trigger device.
- To place another waveform generator, type the keyboard shortcut W with
your cursor on the schematic, and then click to place the component.
- To place the POP Trigger device, click the Search link at the top of
the Parts Selector and type POP in the search box; then click OK
and click on the schematic to place the Pop Trigger.
- Wire the Waveform generator V3 to the POP trigger device and add a ground
symbol from the Commonly Used Parts section of the Parts Selector.
Result: The schematic should now look like this:

At this stage, you are ready to add two probes to view the output waveforms.
Because SystemDesigner Buses, such as the output of the ADC, are treated differently than both
analog voltages and other digital buses, special probes have been developed to probe
the Bus signals.
- To place the special probes, follow these steps using the Probes category in
the
SystemDesigner Functions (Max 32 bits) section of the Parts Selector.

- Select and place a SystemDesigner - Bus Probe and a SystemDesigner
- Bode Plot Probe (Analog IN, SD_BUS OUT).
- Wire these probes as shown below with a SystemDesigner bus connected to the OUT pin on the Bode Plot Probe.
- To save the schematic at this point, select File | Save.
In the next section, you edit parameter values for four of the components and set up the
analysis types.
Editing Component Values
If you are not sure about the purpose of a parameter as you edit the components, hover
your mouse cursor over the parameter name or over the related text box or menu to view
the associated tool tip.
To edit components for this tutorial example, follow these steps:
- Double click on the ADC symbol on the schematic to bring up the edit dialog.
- Set the LSB weight to 200mas shown below:
Note: The dialog box for each device that uses clocks is populated with values set in
the
SystemDesigner Clocks dialog. The default clock is the system clock (SysCLK) and is
selected for this ADC. In the first procedure in this tutorial, you set the Label
of the SysCLK to 2Meg which now appears in the Conversion Clock field and, in this
tutorial, is appropriate for the design.
- Click Ok to close the edit dialog.
- Double click the waveform generator V3, and make the following changes:
|
Parameter
|
Value
|
|
Frequency |
1Meg |
|
Pulse |
5 |
When you change the Pulse value, the offset and Amplitude change
automatically as shown below.
- Double click the V1 waveform generator and change these parameter values:
|
Parameter
|
Value
|
| Initial
(voltage) |
-1 |
| Wave shape |
Sine |
| Source idle during POP
and AC Analyses |
Check |
- Double click the SystemDesigner bus probe:
- In the Curve label text box, type sampled data.
- In the "Plot Integer data as" section, select Analog waveformas shown
below.
To set up the analysis types and set the analysis parameters, follow these steps:
- From the menu bar, choose Simulator | Choose Analysis, and check all three
analyses: POP, AC, and Transient.
- Set the parameters as listed below.
| POP |
AC |
Transient |
| Select Use "POP
Trigger" schematic device.
|
Stop Frequency = 10Meg |
Stop time = 100u |
|
Maximum Period = 1.1u |
|
|
- Click Ok, and then, to save your schematic, select File | Save. A
completed schematic example can be downloaded here: myExample.sxsch.
Running SystemDesigner
SIMPLIS SystemDesigner has two sampled-time simulation modes: signed integer and double-precision
floating point. The default sampled data type is Signed Integer. The
current default is labeled in the SystemDesigner menu with => as shown below:
The following table lists the menu options to set a default simulation type from the
SystemDesigner menu.
| Mode |
To set default
simulation |
|
Signed integer |
SystemDesigner | Set Default (F9) Sampled Data Type | Signed Integer
|
|
Double-precision
floating point |
SystemDesigner | Set Default (F9) Sampled Data Type | Double Precision
Floating Point
|
To run the default simulation, which, in this case, is the signed integer simulation, do
one of the following:
- Select the Simulator | Choose Analysis... menu, and then click
Run.
- Type F9.
- Run the simulation from the SystemDesigner menu: SystemDesigner | Run w/ Sampled
Data Type | Signed Integer.
Signed-integer simulation results:
To run the double-precision floating-point simulation, select SystemDesigner | Run w/
Sampled Data Type | Double Precision Floating Pointfrom the menu bar.
Double-precision floating-point simulation results:
AC analysis results
To see the AC analysis results, click on the simplis_ac1 Phase tab:
- The SystemDesigner Bode Plot Probe is connected to probe the gain and phase of the transfer function
of the ADC.
- The theoretical transfer function is a gain with a zero-order sample and hold at the
sampling clock frequency of 2MHz.
- The low frequency gain should be 1/(LSB Weight) = 5 = 13.98dB.
- The zero order sample and hold produces a phase wrap at the sampling frequency and
at every harmonic higher than the sampling frequency as expected.