SIMPLIS Device Types

In this topic:

Linear Resistors

The format for a linear resistor is:

Rname  n+  n-  value
where
R is the one-character element keyword "R" for linear resistors
name is the individual name of the device
n+ is the name of the positive node, and is a nonnegative integer
n- is the name of the negative node, and is a nonnegative integer
value is a floating-point number assigned as the value of the resistance (in ohms). This value can be positive, zero, or negative

Linear Inductors and Capacitors

The formats for a linear inductor and a linear capacitor are:

Lname  n+  n-  value  IC=init_cond
Cname  n+  n-  value  IC=init_cond
where
L is the one-character element keyword "L" for linear inductors
C is the one-character element keyword "C" for linear capacitor
name is the individual name of the device
n+ is the name of the positive node, and is a nonnegative integer
n- is the name of the negative node, and is a nonnegative integer
value is a floating-point number assigned as the value of the inductance (in henries) for an inductor or the value of the capacitance (in farads) for a capacitor. The value can be positive or negative, but not zero
IC= is the three-character keyword "IC="
init_cond is a floating-point number assigned as the value of initial condition. It is the initial current (in amperes) for an inductor or the initial voltage (in volts) for a capacitor

Independent Voltage and Current Sources

DC Sources

The formats for the dc sources are:

Vname  n+  n-  DC  value
Iname  n+  n-  DC  value
where
V is the one-character element keyword "V" for independent voltage sources
I is the one-character element keyword "I" for independent current sources
name is the individual name of the device
n+ is the name of the positive node, and is a nonnegative integer
n- is the name of the negative node, and is a nonnegative integer
DC is the two-character keyword "DC" to signify that this is a DC source
value is a floating-point number assigned as the source value. It is the voltage across the source element (in volts) for a dc voltage source or the current through the source (in amperes) for a dc current source

Sawtooth Sources

The format for the independent sawtooth voltage source is:

Vname  n+  n-  SAW  V1=v1  V2=v2
+ FREQ=freq  DELAY=delay
+ OFF_UNTIL_DELAY={YES|NO}
+ IDLE_IN_POP=YES|NO
The format for the independent sawtooth current source is:
Iname  n+  n-  SAW  V1=v1  V2=v2
+ FREQ=freq   DELAY=delay
+ OFF_UNTIL_DELAY={YES|NO}
+ IDLE_IN_POP=YES|NO
where
V is the one-character element keyword "V" for independent voltage sources
I is the one-character element keyword "I" for independent current sources
name is the individual name of the device
n+ is the name of the positive node, and is a nonnegative integer
n- is the name of the negative node, and is a nonnegative integer
SAW is the three-character keyword "SAW" to signify that this is a sawtooth source
V1= is the three-character keyword "V1=" representing the source value at the start of a normal cycle
v1 is a floating-point number assigned as the value of V1 (in volts) for a voltage source and the value of V1 (in amperes) for a current source
V2= is the three-character keyword "V2=" representing the source value at the end of a normal cycle
v2 is a floating-point number assigned as the value of V2 (in volts) for a voltage source and the value of V2 (in amperes) for a current source
FREQ= is the five-character keyword "FREQ="
freq is a positive floating-point number assigned as the frequency of this source (in hertz)
DELAY= is the six-character keyword "DELAY="
delay is a floating-point number assigned as the value of DELAY (in seconds)
OFF_UNTIL_DELAY= is the sixteen-character keyword "OFF_UNTIL_DELAY="
YES is the three-character keyword "YES"
NO is the two-character keyword "NO"
IDLE_IN_POP= may have values YES or NO. Default is NO. If YES, the source will be inactive during POP and AC analyses. Inactive means that the source will hold its t=0 value throughout the analysis. If NO the source will behave normally during POP and AC analyses
The plus characters shown in the format definition are not necessary if carriage returns are not used in the statement. The plus characters and the carriage returns have been added to break the statements over different lines to make them easier to read. Using the function s(t) to represent the voltage across the voltage source or the current through the current source, the value of the source function s(t) in the diagram below for ???MATH???t > \textit{delay}???MATH??? is defined as:

\[ s(t)=v1+[(v2-v1)(t-\textit{delay})]/T \] for ???MATH???\textit{delay} < t < (\textit{delay} +T)???MATH???

and:

\[ s(t)=s(t-T) \] for ???MATH???(\textit{delay} +T) < t???MATH???

where

T=1/(freq) is the period of the waveform
The source function s(t) for ???MATH???t < \textit{delay}???MATH??? is defined as follows

\[ s(t) = s(t+T) \] for ???MATH???0 < t < \textit{delay}???MATH??? and OFF_UNTIL_DELAY=NO

and

\[ s(t)=v1 \] for ???MATH???0 < t < \textit{delay}???MATH??? and OFF_UNTIL_DELAY=YES

Whether the delay is positive or negative, the time-domain transient analysis performed by SIMPLIS always starts with the time variable set equal to 0.0.

The diagram below shows the waveforms of a sawtooth source. For t < delay and OFF_UNTIL_DELAY=YES, the waveform s(t) is shown in bold dashed line. For t < delay and OFF_UNTIL_DELAY=NO, the waveform s(t) is shown in heavy gray line.

3.2 Waveform s(t) of a sawtooth source

Triangular Sources

The formats for independent triangular voltage and current sources are:

Vname  n+  n-  TRI  V1=v1  V2=v2
+ FREQ=freq  DRATIO=dratio  DELAY=delay
+ OFF_UNTIL_DELAY={YES|NO} IDLE_IN_POP=YES|NO

and

Iname  n+  n-  TRI  V1=v1  V2=v2
+ FREQ=freq  DRATIO=dratio  DELAY=delay
+ OFF_UNTIL_DELAY={YES|NO} IDLE_IN_POP=YES|NO
where
V is the one-character element keyword "V" for independent voltage sources
I is the one-character element keyword "I" for independent current sources
name is the individual name of the device
n+ is the name of the positive node, and is a nonnegative integer
n- is the name of the negative node, and is a nonnegative integer
TRI is the three-character keyword "TRI" to signify that this is a triangular source
V1= is the three-character keyword "V1=" representing the source at the start of a normal cycle
v1 is a floating-point number assigned as the value of V1 (in volts) for a voltage source or the value of V1 (in amperes) for a current source
V2= is the three-character keyword "V2=" representing the source at the end of a normal cycle
v2 is a floating-point number assigned as the value of V2 (in volts) for a voltage source or the value of V2 (in amperes) for a current source
FREQ= is the five-character keyword "FREQ="
freq is a positive floating-point number assigned as the frequency of this source (in hertz)
DRATIO= is the seven-character keyword "DRATIO="
dratio is a dimensionless floating-point number between 0.0 and 1.0, exclusively, assigned as the value of DRATIO
DELAY= is the six-character keyword "DELAY="
delay is a floating-point number assigned as the value of DELAY (in seconds)
OFF_UNTIL_DELAY= is the sixteen-character keyword "OFF_UNTIL_DELAY="
YES is the three-character keyword "YES"
NO is the two-character keyword "NO"
IDLE_IN_POP= may have values YES or NO. Default is NO. If YES, the source will be inactive during POP and AC analyses. Inactive means that the source will hold its t=0 value throughout the analysis. If NO the source will behave normally during POP and AC analyses
The source function s(t) for t > delay is defined as follows:

\[ s(t)=v1+[(v2-v1)(t-\textit{delay})]/t1 \]

for delay < t < (delay + t1)

\[ s(t)=v2+[(v1-v2)(t-\textit{delay}-t1)]/(T-t1) \] for ???MATH???(\text{delay} + t1) < t < (\text{delay} + T)???MATH???

and

\[ s(t)=s(t-T) \] for ???MATH???(\textit{delay} + T) < t???MATH???

where

T=1/(freq) is defined as the period of the waveform
t1=DRATIO*T is the duration in a period of the waveform where the source value is moving from the value of v1 to the value of v2.
The source function s(t) for t < delay is defined as follows:

\[ s(t)=s(t+T) \] for ???MATH???0 < t < \textit{delay}???MATH??? and OFF_UNTIL_DELAY=NO

and

\[ s(t)=v1 for 0 < t < \textit{delay} \text{ and OFF_UNTIL_DELAY=YES.} \] Again, whether the delay is positive or negative, the time-domain transient analysis performed by the simulation always starts with the time variable set equal to 0.0. The diagram below shows the waveform, s(t), of a typical triangular source. For t < delay and OFF_UNTIL_DELAY=YES, the waveform s(t) is shown in bold dashed line. For t < delay and OFF_UNTIL_DELAY=NO, the waveform s(t) is shown in heavy gray line.

3.3 Waveform s(t) of a triangular source

Square Wave Sources

The formats for independent square-wave voltage and current sources are:

Vname  n+  n-  SQU  V1=v1  V2=v2  FREQ=freq
+ DELAY=delay  OFF_UNTIL_DELAY={YES|NO}
+ [IDLE_IN_POP=YES|NO]

and

Iname  n+  n-  SQU  V1=v1  V2=v2  FREQ=freq
+ DELAY=delay  OFF_UNTIL_DELAY={YES|NO}
+ [IDLE_IN_POP=YES|NO]
where
V is the one-character element keyword "V" for independent voltage sources
I is the one-character element keyword "I" for independent current sources
name is the individual name of the device
n+ is the name of the positive node, and is a nonnegative integer
n- is the name of the negative node, and is a nonnegative integer
SQU is the three-character keyword "SQU" to signify that this is a square source
V1= is the three-character keyword "V1=" representing the source at the start of a normal cycle
v1 is a floating-point number assigned as the value of V1 (in volts) for a voltage source and the value of V1 (in amperes) for a current source
V2= is the three-character keyword "V2=" representing the source at the end of a normal cycle
v2 is a floating-point number assigned as the value of V2 (in volts) for a voltage source and the value of V2 (in amperes) for a current source
FREQ= is the five-character keyword "FREQ="
freq is a positive floating-point number assigned as the frequency of this source (in hertz)
DELAY= is the six-character keyword "DELAY="
delay is a floating-point number expressing DELAY (in seconds)
OFF_UNTIL_DELAY= is the sixteen-character keyword "OFF_UNTIL_DELAY="
YES is the three-character keyword "YES"
NO is the two-character keyword "NO"
IDLE_IN_POP= may have values YES or NO. Default is NO. If YES, the source will be inactive during POP and AC analyses. Inactive means that the source will hold its t=0 value throughout the analysis. If NO the source will behave normally during POP and AC analyses
The source function s(t) for ???MATH???t > \textit{delay}???MATH??? is defined as follows:
???MATH???s(t)=v2???MATH??? for ???MATH???\textit{delay} < t < (\textit{delay} + T/2)???MATH???:
???MATH???s(t)=v1???MATH??? for ???MATH???(\textit{delay} + T/2) < t < (\textit{delay} + T)???MATH???:
???MATH???s(t)=s(t-T)???MATH??? for ???MATH???(\textit{delay} + T) < t???MATH???:

The source function s(t) for ???MATH???t < \textit{delay}???MATH??? is defined as follows

???MATH???s(t)=s(t+T)???MATH??? for ???MATH???0 < t < \textit{delay}???MATH??? and OFF_UNTIL_DELAY=NO
???MATH???s(t)=v1???MATH??? for ???MATH???0 <t < \textit{delay}???MATH??? and OFF_UNTIL_DELAY=YES

where

T=1/freq T is defined as the period of the waveform
The waveform s(t) of a typical squarewave source is illustrated in the diagram below. For t < delay and OFF_UNTIL_DELAY=YES, the waveform s(t) is shown in bold dashed line. For t < delay and OFF_UNTIL_DELAY=NO, the waveform s(t) is shown in heavy gray line.

3.4 Waveform s(t) of a square wave source

Pulse Sources with Zero Rise and Fall Times

The formats for the independent rectangular pulse sources are

Vname  n+  n-  PUL  V1=v1  V2=v2  FREQ=freq
+ DRATIO=dratio  DELAY=delay
+ OFF_UNTIL_DELAY={YES|NO}
+ [IDLE_IN_POP=YES|NO]
and
Iname  n+  n-  PUL  V1=v1  V2=v2 F REQ=freq
+ DRATIO=dratio  DELAY=delay
+ OFF_UNTIL_DELAY={YES|NO}
+ [IDLE_IN_POP=YES|NO]
V is the one-character element keyword "V" for independent voltage sources
I is the one-character element keyword "I" for independent current sources
name is the individual name of the device
n+ is the name of the positive node, and is a nonnegative integer
n- is the name of the negative node, and is a nonnegative integer
PUL is the three-character keyword "PUL" to signify that this is a rectangular pulse source
V1= is the three-character keyword "V1=" representing the source at the start of a normal cycle
v1 is a floating-point number assigned as the value of V1 (in volts) for a voltage source and the value of V1 (in amperes) for a current source
V2= is the three-character keyword "V2=" representing the source at the end of a normal cycle
v2 is a floating-point number assigned as the value of V2 (in volts) for a voltage source and the value of V2 (in amperes) for a current source
FREQ= is the five-character keyword "FREQ="
freq is a positive floating-point number assigned as the frequency of this source (in hertz)
DRATIO= is the seven-character keyword "DRATIO="
dratio is a dimensionless floating-point number between 0.0 and 1.0, exclusively, assigned as the value of DRATIO
DELAY= is the six-character keyword "DELAY="
delay is a floating-point number assigned as the value of DELAY (in seconds)
OFF_UNTIL_DELAY= is the sixteen-character keyword "OFF_UNTIL_DELAY="
YES is the three-character keyword "YES"
NO is the two-character keyword "NO"
IDLE_IN_POP= may have values YES or NO. Default is NO. If YES, the source will be inactive during POP and AC analyses. Inactive means that the source will hold its t=0 value throughout the analysis. If NO the source will behave normally during POP and AC analyses
The source function s(t) for t > delay is defined as follows
???MATH???s(t)=v2???MATH??? for ???MATH???\textit{delay} < t < (\textit{delay} + t1)???MATH???
???MATH???s(t)=v1???MATH??? for ???MATH???(\textit{delay} + t1) < t < (\textit{delay} + T)???MATH???
???MATH???s(t)=s(t-T)???MATH??? for ???MATH???(\textit{delay} +T) < t???MATH???
where
T=1/freq T is defined as the period of the waveform
t1=DRATIO*T t1 is the duration in a period of the waveform where the source value is equal to v2

The source function s(t) for t < delay is defined as follows:

???MATH???s(t)=s(t+T)???MATH??? for ???MATH???0 < t < \textit{delay}???MATH??? and OFF_UNTIL_DELAY=NO
???MATH???s(t)=v1???MATH??? for ???MATH???0 < t < \textit{delay}???MATH??? and OFF_UNTIL_DELAY=YES

The waveform s(t) of a typical rectangular pulse source is shown in the diagram below. For t < delay and OFF_UNTIL_DELAY=YES, the waveform s(t) is shown in bold dashed line. For t < delay and OFF_UNTIL_DELAY=NO, the waveform s(t) is shown in heavy gray line.

3.5 Waveform s(t) of a pulse-wave source

Sinusoidal Sources

The formats for defining independent sinusoidal voltage and current sources are:

Vname  n+  n-  SIN  VOFFSET=voff  APEAK=apeak
+ FREQ=freq  {TDELAY=tdelay|PDELAY=pdelay}
+ OFF_UNTIL_DELAY={YES|NO} DAMP_COEF=damp_coef
+ [IDLE_IN_POP=YES|NO]

and

Iname  n+  n-  SIN VOFFSET=voff APEAK=apeak
+ FREQ=freq  {TDELAY=tdelay |PDELAY=pdelay}
+ OFF_UNTIL_DELAY={YES|NO} DAMP_COEF=damp_coef
+ [IDLE_IN_POP=YES|NO]
V is the one-character element keyword "V" for independent voltage sources
I is the one-character element keyword "I" for independent current sources
name is the individual name of the device
n+ is the name of the positive node, and is a nonnegative integer
n- is the name of the negative node, and is a nonnegative integer
SIN is the three-character keyword "SIN" to signify that this is a sinusoidal source with possible damping
VOFFSET= is the eight-character keyword "VOFFSET=" representing the DC offset of the source
voff is a floating-point number assigned as the DC offset value (in volts) for a voltage source and the DC offset value (in amperes) for a current source
APEAK= is the six-character keyword "APEAK=" representing the amplitude of the source at t = tdelay
apeak is a nonnegative floating-point number assigned as volts for a voltage source and amperes for a current source
FREQ= is the five-character keyword "FREQ=" representing the frequency of the source
freq is a positive floating-point number assigned as the frequency of this source (in hertz)
TDELAY= is the seven-character keyword "TDELAY=" representing the time delay of the source
tdelay is a floating-point number assigned as the time delay (in seconds)
PDELAY= is the seven-character keyword "PDELAY=" representing the phase delay of the source
pdelay is a floating-point number assigned as the phase delay (in degrees). The specification of TDELAY and PDELAY are mutually exclusive
OFF_UNTIL_DELAY= is the sixteen-character keyword "OFF_UNTIL_DELAY="
YES is the three-character keyword "YES"
NO is the two-character keyword "NO"
IDLE_IN_POP= may have values YES or NO. Default is NO. If YES, the source will be inactive during POP and AC analyses. Inactive means that the source will hold its t=0 value throughout the analysis. If NO the source will behave normally during POP and AC analyses
DAMP_COEF= is the ten-character keyword "DAMP_COEF=" representing the damping coefficient of the source
damp_coef is a floating-point number assigned as the damping coefficient (in 1/seconds)
The source function s(t) for all t is

\[ s(t)=\textit{voff}+\textit{apeak}\cdot e^{-\textit{damp_coef}\cdot(t-\textit{tdelay})}\cdot\sin(2\cdot\pi\cdot\textit{freq}\cdot(t-\textit{tdelay})) \] The value of tdelay, computed from the value of pdelay (if pdelay is given), is:

\[ \textit{tdelay}=(\textit{pdelay})/(360*\textit{freq}). \]

If OFF_UNTIL_DELAY is assigned a value of YES, then the value of s(t) for t < tdelay is modified to:

???MATH???s(t)=voff???MATH??? for ???MATH???t < \textit{tdelay}???MATH???

The waveform s(t) of a typical sinusoidal source is shown in the diagram below.

For t < delay and OFF_UNTIL_DELAY=YES, the waveform s(t) is shown in bold dashed line. For t < delay and OFF_UNTIL_DELAY=NO, the waveform s(t) is shown in heavy grey line.

3.6 Waveform s(t) of a sinusoidal source

Cosinusoidal Source

The formats for independent cosinusoidal voltage and current sources are:

Vname  n+  n-  COS  VOFFSET=voff  APEAK=apeak
+ FREQ=freq  {TDELAY=tdelay|PDELAY=pdelay}
+ OFF_UNTIL_DELAY={YES|NO}
+ DAMP_COEF=damp_coef
+ [IDLE_IN_POP=YES|NO]
and
Iname  n+  n-  COS  VOFFSET=voff  APEAK=apeak
+ FREQ=freq  {TDELAY=tdelay|PDELAY=pdelay}
+ OFF_UNTIL_DELAY={YES|NO}
+ DAMP_COEF=damp_coef
+ [IDLE_IN_POP=YES|NO]
where
V is the one-character element keyword "V" for independent voltage sources
I is the one-character element keyword "I" for independent current sources
name is the individual name of the device
n+ is the name of the positive node, and is a nonnegative integer
n- is the name of the negative node, and is a nonnegative integer
COS is the three-character keyword "COS" to signify that this is a cosinusoidal source with possible damping
VOFFSET= is the eight-character keyword "VOFFSET=" representing the DC offset of the source
voff is a floating-point number assigned as the DC offset value (in volts) for a voltage source and the DC offset value (in amperes) for a current source
APEAK= is the six-character keyword "APEAK=" representing the amplitude of the source at t = tdelay
apeak is a nonnegative floating-point number assigned as the amplitude (in volts) for a voltage source and (in amperes) for a current source
FREQ= is the five-character keyword "FREQ=" representing the frequency of this source
freq is a positive floating-point number assigned as the frequency (in hertz)
TDELAY= is the seven-character keyword "TDELAY=" representing the time delay of the source (use of TDELAY and PDELAY are mutually exclusive)
tdelay is a floating-point number assigned as the time delay (in seconds)
PDELAY= is the seven-character keyword "PDELAY=" representing the phase delay of the source (use of TDELAY and PDELAY are mutually exclusive)
pdelay is a floating-point number assigned as the phase delay (in degrees)
OFF_UNTIL_DELAY= is the sixteen-character keyword "OFF_UNTIL_DELAY="
YES is the three-character keyword "YES"
NO is the two-character keyword "NO"
DAMP_COEF= is the ten-character keyword "DAMP_COEF=" representing the damping coefficient of the source
damp_coef is a floating-point number assigned as the damping coefficient (in 1/seconds)
IDLE_IN_POP= may have values YES or NO. Default is NO. If YES, the source will be inactive during POP and AC analyses. Inactive means that the source will hold its t=0 value throughout the analysis. If NO the source will behave normally during POP and AC analyses
The source function s(t) for all t is

\[ s(t)=\textit{voff}+\textit{apeak}\cdot e^{-\textit{damp_coef} \cdot (t - \textit{tdelay})}\cdot\cos(2\cdot\pi\cdot\textit{freq}\cdot(t-\textit{tdelay})). \] The value of tdelay, computed from the value of pdelay (if pdelay is given), is: \[ \textit{tdelay}=(\textit{pdelay})/(360*\textit{freq}) \]

If OFF_UNTIL_DELAY is assigned a value of YES, then the value of s(t) for t < tdelay is modified to

???MATH???s(t) = \textit{voff}???MATH??? for ???MATH???t < \textit{tdelay}???MATH???
The waveform s(t) of a typical cosinusoidal source is shown in the diagram below. For t < delay and OFF_UNTIL_DELAY=YES, the waveform s(t) is shown in bold dashed line. For t < delay and OFF_UNTIL_DELAY=NO, the waveform s(t) is shown in heavy grey line.

3.7 Waveform s(t) of a cosinusoidal source

Aperiodic Exponential Pulse Sources

The formats for independent sources with aperiodic exponential pulse waveforms (see waveform diagram below) are as follows:

For a voltage source:

Vname  n+  n-  EXP  V1=v1  V2=v2
+ DELAY_R=delay_r  DELAY_F=delay_f
+ TAU_R=tau_r  TAU_F=tau_f
+ [IDLE_IN_POP=YES|NO]
For a current source:
Iname  n+  n-  EXP  V1=v1  V2=v2
+ DELAY_R=delay_r  DELAY_F=delay_f
+ TAU_R=tau_r  TAU_F=tau_f
+ [IDLE_IN_POP=YES|NO]
where
V is the one-character element keyword "V" for independent voltage sources
I is the one-character element keyword "I" for independent current sources
name is the individual name of the device
n+ is the name of the positive node and is a nonnegative integer
n- is the name of the negative node and is a nonnegative integer
EXP is the three-character keyword "EXP" to signify that this is an aperiodic single-shot exponential pulse source
V1= is the three-character keyword "V1=" representing the quiescent value of the source
v1 is a floating-point number assigned as the quiescent value (in volts) for a voltage source and (in amperes) for a current source
V2= is the three-character keyword "V2=" representing the "pulsed" value of the source
v2 is a floating-point number assigned as the "pulsed" value (in volts) for a voltage source and (in amperes) for a current source
DELAY_R= is the eight-character keyword "DELAY_R=" representing the time delay of the rising edge of the source, that is, the edge of the waveform when it moves from the quiescent value v1 to the pulsed value v2
delay_r is a nonnegative floating-point number assigned as the time delay of the rising edge (in seconds)
DELAY_F= is the eight-character keyword "DELAY_F=" representing the time delay of the falling edge of the source, that is, the edge of the waveform when it moves from v2 to v1
delay_f is a nonnegative floating-point number assigned as the time delay of the falling edge (in seconds), and must be larger than delay_r
TAU_R= is the six-character keyword "TAU_R=" representing the time constant of the rising edge of the source
tau_r is a floating-point number assigned as the value of the time constant of the rising edge (in seconds)
TAU_F= is the six-character keyword "TAU_F=" representing the time constant of the falling edge of the source
tau_f is a floating-point number assigned as the value of the time constant of the falling edge (in seconds)
IDLE_IN_POP= may have values YES or NO. Default is NO. If YES, the source will be inactive during POP and AC analyses. Inactive means that the source will hold its t=0 value throughout the analysis. If NO the source will behave normally during POP and AC analyses

The source function s(t) is defined as follows:

???MATH???s(t)=v1???MATH??? for ???MATH???t < \textit{delay_r}???MATH???
???MATH???s(t)=v2+(v1-v2).e^{- (t - \textit{delay_r}) / \textit{tau_r}}???MATH??? for ???MATH???\textit{delay_r} < t < \textit{delay_f}???MATH???
???MATH???s(t)=v1+(s(\textit{delay_f})-v1).e - (t - \textit{delay_f}) / \textit{tau_f}???MATH??? for ???MATH???\textit{delay}_f < t???MATH???

In the case where tau_r is equal to 0, the source function rises instantaneously from

???MATH???v1???MATH??? to ???MATH???v2???MATH??? at ???MATH???t = \textit{delay_r}???MATH???
???MATH???s(t)=v2???MATH??? for ???MATH???\textit{delay_r} < t < \textit{delay_f}???MATH???

In the case where tau_f is equal to 0, the source function falls instantaneously from

???MATH???v2???MATH??? to ???MATH???v1???MATH??? at ???MATH???t = \textit{delay_f}???MATH???
???MATH???s(t)=v1???MATH??? for ???MATH???\textit{delay_f} < t???MATH???
The waveform s(t) of a typical aperiodic exponential pulse source is shown in the diagram below.

3.8 Waveform s(t) of an exponential pulse source

Aperiodic Piecewise-Linear Sources

An aperiodic piecewise-linear source has its source function s(t) defined in terms of a finite number of linear segments. See diagram below for a typical example. The formats for independent aperiodic piecewise linear sources are:

Vname  n+  n-  PWL NSEG=k
+ X0=x0 Y0=y0 ... XK=xk YK=yk

and

Iname  n+  n-  PWL  NSEG=k
+ X0=x0 Y0=y0 ... XK=xk YK=yk
where
V is the one-character element keyword "V" for independent voltage sources
I is the one-character element keyword "I" for independent current sources
name is the individual name of the device
n+ is the name of the positive node, and is a nonnegative integer
n- is the name of the negative node, and is a nonnegative integer
PWL is the three-character keyword "PWL" to signify that this is an aperiodic piecewise-linear source
NSEG= is the five-character keyword "NSEG=" representing the number of linear segments for this source
k is an integer defining the number of linear segments and can take on values from 2 to 253, inclusively
X0= is the keyword "X0=" representing the time (or x axis) coordinate of the start of the first linear segment
x0 is a floating-point number which defines the value of X0 in seconds
Y0= is the three-character keyword "Y0=" representing the voltage or current (y axis) coordinate of the start of the first linear segment
y0 is a floating-point number which describes the value of Y0 in volts for a voltage source and in amperes for a current source
X1= is the keyword "X1=" representing the time (or x axis) coordinate of the end of the first linear segment and the start of the second linear segment
x1 is a floating-point number which describes the value of X1 in seconds. x1 is larger than or equal to x0
Y1= is the keyword "Y1=" representing the voltage or current (y axis) coordinate of the end of the first linear segment and the start of the second linear segment
y1 is a floating-point number which describes the value of Y1 in volts for a voltage source, and in amperes for a current source
X2= is the keyword "X2=" representing the time (or x axis) coordinate of the end of the second linear segment and the start of the third linear segment
x2 is a floating-point number which defines the value of X2 in seconds. x2 is larger than or equal to x1
Y2= is the keyword "Y2=" representing the voltage or current (y axis) coordinate of the end of the second linear segment and the start of the third linear segment
y2 is a floating-point number which defines the value of Y2 in volts for a voltage source, and in amperes for a current source, and so on
The x's and the y's form coordinate pairs in the ???MATH???s(t)???MATH??? versus t plane. If the source is described by k piecewise-linear segments, then ???MATH???(k+1)???MATH??? pairs of coordinates are required to define the source, from ???MATH???(x0,y0)???MATH??? up to ???MATH???(xk,yk)???MATH???. The line segment formed by drawing a straight line from ???MATH???(x0,y0)???MATH??? to ???MATH???(x1,y1)???MATH??? is the first segment describing the source. The line segment formed by drawing a straight line from ???MATH???(x1,y1)???MATH??? to ???MATH???(x2,y2)???MATH??? is the second segment describing the source.

The source value ???MATH???s(t)???MATH??? for ???MATH???t < x0???MATH??? is set to ???MATH???s(t) = y0???MATH???. The source value ???MATH???s(t)???MATH??? for ???MATH???t > xk???MATH??? is set to ???MATH???s(t) = yk???MATH???.

An example of the waveform ???MATH???s(t)???MATH??? of a piecewise-linear source is illustrated in the diagram below.

3.9 Example of the waveform s(t) of a typical piecewise-linear source

Mutual Inductances

The format for mutual inductance is:

M-Lname1-Lname2  value
where
M is the one-character element keyword "M" for mutual inductors
- is the hyphen character ('-')
Lname1 is the device name of a linear inductor defined in the current circuit
Lname2 is the device name of another linear inductor defined in the current circuit. Lname1 and Lname2 must refer to different inductors
value is a floating-point number assigned as the mutual inductance between the two linear inductors
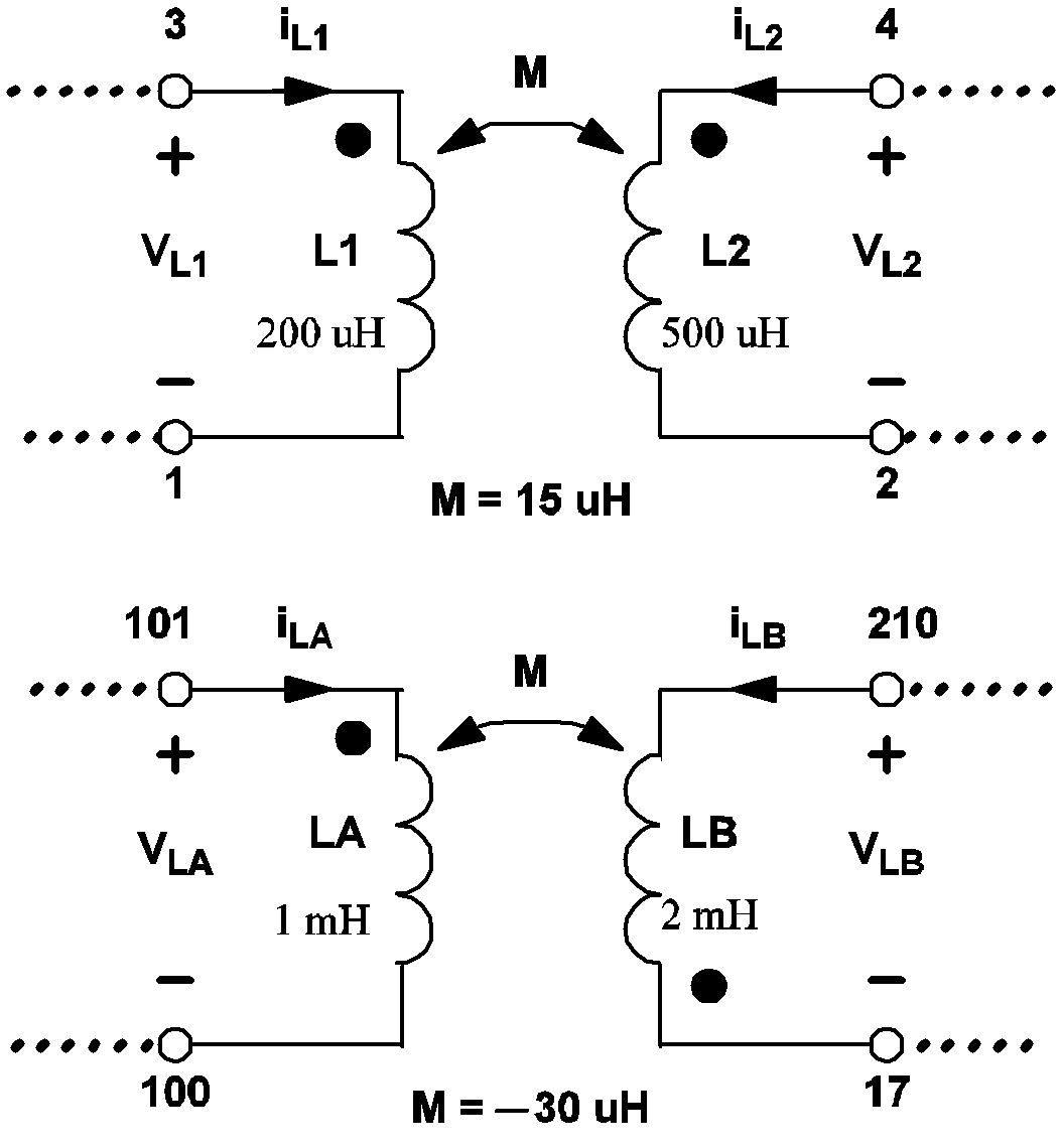
For the schematic shown below, the two mutual inductors are defined in the input file as
L1 3 1 200U IC=50M
L2 4 2 500U IC=0
LA 101 100 1M IC=-30U
LB 210 17 2M IC=10U
M-L1-L2 15U
M-LA-LB -30U

The mutual inductance between two linear inductors is positive if the polarity dots appear on the positive nodes of both inductors or if the polarity dots appear on the negative nodes of both inductors. In the example shown below, the mutual inductance between inductors LA and LB is negative because the polarity dot is located at the positive node of LA but the polarity dot is located at the negative node of LB.

3.10 Examples of the definitions for mutual inductances

Linear Voltage-Controlled Sources

The formats for voltage-controlled sources are:

Ename  n+  n-  nc+  nc-  value
Gname  n+  n-  nc+  nc-  value
Ename  n+  n-  cname  value
Gname  n+  n-  cname  value
where
E is the one-character element keyword "E" for linear voltage-controlled voltage sources
G is the one-character element keyword "G" for linear voltage-controlled current sources
name is the individual name of the device
n+ is the name of the positive node of the controlled source, and is a nonnegative integer
n- is the name of the negative node of the controlled source, and is a nonnegative integer
nc+ is the name of the positive controlling node in the same circuit where the linear voltage-controlled source is being defined
nc- is the name of the negative controlling node in the same circuit where the linear voltage-controlled source is being defined
cname is the name of a controlling device in the same circuit where the linear voltage-controlled source is being defined
value is a floating-point number assigned as the proportionality constant for this controlled source
In the first format, the value of the controlled source is given by

\[ s=\textit{value}*v(nc+,nc-) \] where ???MATH???v(nc+, nc-)???MATH??? represents the voltage of node nc+ with respect to node nc-, and s is the controlled voltage for a controlled voltage source and the controlled current for a controlled current source. In the second format, the value of the controlled source is given by

\[ s=\textit{value}*v(\textit{cname}) \] where v(cname) represents the branch voltage across the positive and negative nodes of the controlling device named "cname".

Linear Current-Controlled Sources

The formats for current-controlled sources are:

Hname  n+  n-  cname  value

or

Fname  n+  n-  cname  value
where
H is the one-character element keyword "H" for linear current-controlled voltage sources
F is the one-character element keyword "F" for linear current-controlled current sources
name is the individual name of the device
n+ is the name of the positive node of the controlled source and is a nonnegative integer
n- is the name of the negative node of the controlled source and is a nonnegative integer
cname is the name of a controlling device and is not restricted to a voltage source
value is a floating-point number assigned as the proportionality constant for this controlled source
The value of the controlled source is given by

\[ s=\textit{value}*i(\textit{cname}) \] where i(cname) represents the branch current through the controlling device named "cname".

Ideal Transformers

The format for ideal transformer differs from the typical format defined in Device Statement Format:

!Tname  N_WIND=k  n1+  n1-  N1=t1 ...
+ nk+  nk-  Nk=tk
where
!T is the two-character element keyword "!T" for ideal transformers
name is the individual name of the device
N_WIND= is the seven-character keyword "N_WIND=" representing the number of windings in the transformer
k is a positive integer assigned as the number of windings and can assume any integral value from 2 to 255, inclusively
n1+ is a nonnegative integer to represent the node name of the "dotted" terminal of winding 1
n1- is a nonnegative integer to represent the node name of the "undotted" terminal of winding 1
N1= is the three-character keyword "N1=" representing the number of turns in winding 1
t1 is a positive floating-point number assigned as the number of turns in winding 1
For a k-winding transformer, the node names of each winding and the number of turns in each winding must be specified in this device statement.

Simple Switches

The formats for simple switches are:

Sname  n+  n-  nc+  nc-  mname  IC={CLOSE|OPEN}

Sname  n+  n-  cname  mname  IC={CLOSE|OPEN}

where

S is the one-character element keyword "S" for simple switches
name is the individual name of the device
n+ is the name of the positive node of the simple switch and is a nonnegative integer
n- is the name of the negative node of the simple switch and is a nonnegative integer
nc+ is the name of the positive controlling node
nc- is the name of the negative controlling node
cname is the name of a controlling device
mname is the name of a compatible switch model
IC= is the three-character keyword "IC=" representing the initial condition of the simple switch
OPEN is the four-character keyword "OPEN", meaning the simple switch is initialized to the open state
CLOSE is the five-character keyword "CLOSE", meaning the simple switch is initialized to the closed state (use of OPEN and CLOSE are mutually exclusive)
The parameters describing the switch are defined in a model statement. Refer to Simple Switch Models for the explanation of the model statements associated with simple switches.

In SIMPLIS, both the voltage-controlled and the current-controlled switches are modeled by the simple S switch. If the switch model named "mname" has a model type of VCSW, the switch is considered to be voltage controlled. If the model type of the switch model is ICSW, the switch is considered to be current controlled.

The initial condition provided for a simple switch is only used by SIMPLIS as a suggestion. If the circuit condition on the controlling variable dictates a different initial condition, SIMPLIS automatically overrides the given initial condition with the correct initial condition.

Simple Transistor Switches

The formats for simple transistor switches are:

Qname  n+  n-  nc+  nc-  mname  IC={CLOSE|OPEN}

Qname  n+  n-  cname  mname  IC={CLOSE|OPEN}
where
Q is the one-character element keyword "Q" for simple transistor switches
name is the individual name of the device
n+ is the name of the positive node of the simple transistor switch and is a nonnegative integer
n- is the name of the negative node of the simple transistor switch and is a nonnegative integer
nc+ is the name of the positive controlling node
nc- is the name of the negative controlling node
cname is the name of a controlling device
mname is the name of a compatible transistor switch model
IC= is the three-character keyword "IC=" representing the initial condition of the simple transistor switch
OPEN is the four-character keyword "OPEN", meaning the simple transistor switch is initialized to the open state
CLOSE is the five-character keyword "CLOSE", meaning the simple transistor switch is initialized to the closed state
The parameters describing the transistor switch are defined in a model statement. Refer to Simple Switch Models for the explanation of the model statements associated with simple transistor switches.

There are four model types compatible with simple transistor switches. These are:

  • VCQPOS
  • VCQNEG
  • ICQPOS
  • ICQNEG

Model types VCQPOS and VCQNEG correspond to voltage-controlled transistor switches. Model types ICQPOS and ICQNEG correspond to current-controlled transistor switches.

Similar to the initial condition given to a simple switch, the initial condition given to a simple transistor switch is used by SIMPLIS only as a suggestion. Giving a correct initialization, however, eliminates the computation time required by SIMPLIS to search for the correct initial state, and thus leads to a faster simulation.

Piecewise Linear Resistors

The format for piecewise-linear resistor is:

!Rname  n+  n-  mname  IC=seg_num
where
!R is the two-character element keyword "!R" for piecewise-linear resistors
name is the individual name of the device
n+ is the name of the positive node and is a nonnegative integer
n- is the name of the negative node and is a nonnegative integer
mname is the name of a model compatible with a piecewise-linear resistor
IC= is the three-character keyword "IC=" representing the initial segment of operation for the piecewise-linear resistor
seg_num is a positive integer assigned as the initial segment of operation for the piecewise-linear resistor. It must be larger than or equal to 1, and less than or equal to the number of segments defined in the model.
The parameters describing a piecewise-linear resistor are defined in a model statement. Refer to Piecewise-Linear Resistor Models for the explanation of the model statements associated with the piecewise-linear resistors.

There are two types of models that are compatible with piecewise-linear resistors: VPWLR for voltage-defined piecewise-linear resistors and IPWLR for current-defined piecewise-linear resistors.

The initial segment of operation is used by SIMPLIS as a suggestion. SIMPLIS automatically computes the circuit voltages and currents to determine the correct initial segment of operation.

Piecewise-Linear Inductors and Capacitors

The formats for piecewise-linear inductors and piecewise-linear capacitors are:

!Lname  n+  n-  mname  IC=init_cond

!Cname  n+  n-  mname  IC=init_cond
where
!L is the two-character element keyword "!L" for piecewise-linear inductors
!C is the two-character element keyword "!C" for piecewise-linear capacitors
name is the individual name of the device
n+ is the name of the positive node and is a nonnegative integer
n- is the name of the negative node and is a nonnegative integer
mname is the name of a model compatible with a piecewise-linear inductor or a piecewise-linear capacitor
IC= is the three-character keyword "IC=" representing the initial condition
init_cond is the value of initial condition. It is the initial current (in amperes) in the case of a piecewise-linear inductor and the initial voltage (in volts) in the case of a piecewise-linear capacitor.
The parameters describing the piecewise-linear inductors and capacitors are defined in a model statement. Refer to Piecewise-Linear Inductor and Capacitor Models for the explanation of the model statements associated with these two devices. For a piecewise-linear inductor, the only acceptable model type is PWLL. For a piecewise-linear capacitor, the only acceptable model type is PWLC.

Simple Logic Gates

The format for a simple logic gate is:

!Dname  no1  no2 ...  nref  ni1  ni2 ...  mname  IC={0|1}
where
!D is the two-character element keyword "!D" for simple logic gates
name is the individual name of the device
no1 is a nonnegative integer representing the name of the first output node of the logic gate
no2 is a nonnegative integer representing the name of the second output node of the logic gate if there is more than one output
nref is a nonnegative integer representing the name of the reference node. The logic state(s) of the output(s) of a simple logic gate are defined in terms of the voltage(s) of the output node(s) with respect to the reference node. The logic state(s) of the input(s) of a simple logic gate are defined in terms of the voltage(s) of the input node(s) with respect to the reference node
ni1 is a nonnegative integer representing the name of the first input node of the logic gate
ni2 is a nonnegative integer representing the name of the second input node of the logic gate if there are more than one input
mname is the name of a model compatible with a simple logic gate
IC= is the three-character keyword "IC=" representing the initial output state of the logic gate
0 is the integer 0 to indicate that the initial output state of this gate is logic 0
1 is the integer 1 to indicate that the initial output state of this gate is logic 1 (use of the 0 and 1 are mutually exclusive)
The parameters describing the simple logic gates are defined in a model statement. Refer to Simple Logic Device Models for the explanation of the model statements associated with simple logic gates. The initial output state of the logic gate is used by SIMPLIS as a suggestion.

The model types and the associated simple logic gates are summarized in the table below.

SIMPLIS Digital Model Types
Model Type Gate Type Num. Inputs Num. Outputs
INV Inverter 1 1
COMP Comparator 2 1
XOR Exclusive OR gate 2 1
ORk k-input OR gate

2 ???MATH???\leq???MATH??? k ???MATH???\leq???MATH??? 9
k 1
NORk k-input NOR gate

2 ???MATH???\leq???MATH??? k ???MATH???\leq???MATH??? 9
k 1
ANDk k-input AND gate

2 ???MATH???\leq???MATH??? k ???MATH???\leq???MATH??? 9
k 1
NANDk k-input NANDk gate

2 ???MATH???\leq???MATH??? k ???MATH???\leq???MATH??? 9
k 1
SRFF Set-Reset Flip Flop 2 2
CLK_SRFF Clocked Set-Reset Flip Flop 3 2
CLK_JKFF Clocked JK Flip Flop 3 2
CLK_DFF Clocked D Flip Flop 2 2
CLK_TFF Clocked Toggle Flip Flop 2 2
LATCH Latch 2 1

Subcircuit Calls / Instantiation

The format for a subcircuit call is:

Xname  n1  n2 ...  nn  sname
where
X is the one-character element keyword "X" for the subcircuit call/instantiation
name is the individual name of the device
n1 is a nonnegative integer to represent the name of the first node of this device
n2 is a nonnegative integer to represent the name of the second node of this device
nn is the nonnegative integer representing the nth node of this device, and sname is the name of a subcircuit definition compatible with this device. Through the use of the subcircuit feature, one can model an n-terminal physical device by building an n-terminal subcircuit made up of the simple basic devices outlined in this section. The subcircuit feature is further explained in See Subcircuit Definition.